¿Cómo funciona el indicador de carga de batería?

El Indicador de Carga de Batería del Auto

18/01/2021

Valoración: 4.21 (4309 votos)

El tablero de instrumentos de nuestro vehículo es una fuente vital de información. Cada luz, cada aguja, nos comunica algo sobre el estado de nuestro coche. Una de las luces más conocidas y, a menudo, temidas, es la que tiene la forma de una batería. Este es el indicador de carga, a veces referido incorrectamente como amperímetro o simplemente la luz de la batería. Su función principal es alertarnos sobre el correcto funcionamiento del sistema de carga del vehículo. Pero, ¿cómo funciona exactamente y qué debemos hacer si se enciende?

Entender este indicador es crucial para el mantenimiento y la operación segura de nuestro automóvil. No solo nos avisa de posibles problemas que podrían dejarnos tirados, sino que también nos da pistas sobre la salud general del sistema eléctrico.

Índice de Contenido

¿Qué es el Indicador de Carga de Batería en tu Auto?

En la mayoría de los vehículos modernos, el indicador de carga de la batería se presenta como una pequeña luz en el tablero con el símbolo de una batería rectangular con signos más (+) y menos (-). En algunos modelos más antiguos o de gama alta, puede ser un medidor analógico o digital que muestra el voltaje del sistema eléctrico.

¿Cómo funciona el indicador de carga de batería?
Este indicador nos informa de descargas en la batería. Cuando enciendes tu auto es normal que el indicador se encienda, pero cuando el auto está en marcha debe apagarse, de lo contrario significará algún problema en el sistema de carga, es decir la batería.

Este indicador no mide directamente cuánta carga tiene la batería en un momento dado (como lo haría el indicador de un teléfono móvil que muestra un porcentaje). En cambio, su propósito principal es supervisar el sistema de carga del vehículo, el cual está compuesto principalmente por el alternador, el regulador de voltaje y la propia batería.

¿Cómo Funciona el Sistema de Carga del Vehículo?

Para entender el indicador, primero debemos comprender el sistema que monitorea. La batería de un coche tiene dos funciones principales: proporcionar la energía inicial para arrancar el motor y actuar como un estabilizador de voltaje para el sistema eléctrico general. Una vez que el motor está en marcha, el alternador toma el relevo. Impulsado por el motor (generalmente a través de una correa, la correa del alternador), el alternador es un generador de corriente alterna (AC) que luego se convierte en corriente continua (DC) mediante diodos rectificadores internos.

Esta corriente continua es la que alimenta todos los componentes eléctricos del coche mientras está en funcionamiento (luces, radio, aire acondicionado, limpiaparabrisas, etc.) y, lo más importante, recarga la batería para compensar la energía utilizada durante el arranque y cualquier consumo adicional.

El regulador de voltaje, que a menudo es una parte integrada del alternador, es esencial. Su función es mantener la salida de voltaje del alternador dentro de un rango seguro y constante (típicamente entre 13.5 y 14.5 voltios en la mayoría de los vehículos de 12V), independientemente de la velocidad del motor o la carga eléctrica demandada. Esto previene tanto la sobrecarga de la batería (que podría dañarla severamente) como la subcarga (que impediría que la batería se recargue correctamente).

El indicador de carga está conectado a este sistema. Se enciende cuando detecta que el voltaje del sistema está por debajo de un umbral mínimo que indica que el alternador no está cargando o que hay un problema significativo que está descargando la batería rápidamente.

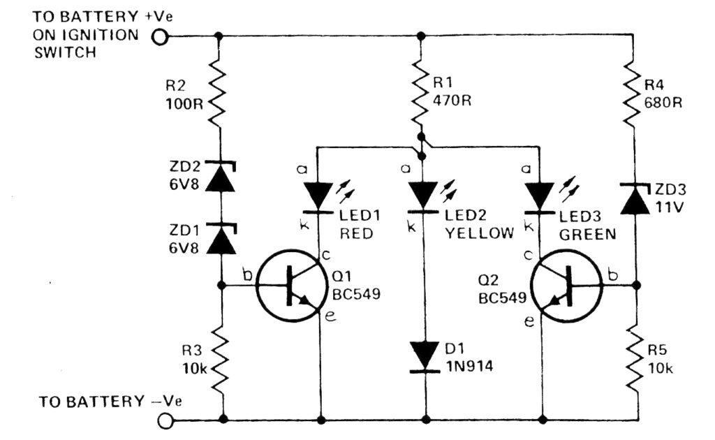
¿Cómo funciona el circuito indicador de nivel de batería?
El circuito indicador de batería muestra el porcentaje de batería en orden ascendente mediante LED . Cada LED tiene un rango de porcentaje específico. El primero muestra el 20 %, el segundo el 40 %, el tercero el 60 %, el cuarto el 80 % y el quinto el 100 %. Además, los LED se iluminan con diferentes voltajes de alimentación.

El Significado de la Luz del Indicador de Batería

El comportamiento del indicador nos dice mucho:

  • Al poner la llave en “ON” (antes de arrancar): Es normal que la luz de la batería se encienda. Esto es una verificación del sistema para asegurarse de que el indicador funciona y que hay energía en la batería.
  • Al arrancar el motor: La luz puede permanecer encendida por un instante muy breve y luego debe apagarse inmediatamente una vez que el motor arranca y el alternador comienza a generar energía.
  • Con el motor en marcha y la luz APAGADA: Esto es lo normal. Significa que el sistema de carga está funcionando correctamente, el alternador está generando voltaje adecuado y está recargando la batería o manteniendo su carga mientras alimenta los accesorios eléctricos.
  • Con el motor en marcha y la luz ENCENDIDA (o parpadeando): ¡Esto es una señal de advertencia crítica! Indica que el alternador no está generando suficiente voltaje para alimentar el sistema eléctrico del coche y recargar la batería. En este escenario, el coche está operando únicamente con la energía almacenada en la batería.

¿Por Qué se Enciende el Indicador de Carga Estando en Marcha?

Cuando la luz de la batería se ilumina mientras conduces, hay varias causas posibles, todas relacionadas con un fallo en el sistema de carga:

  • Correa del alternador rota o floja: Si la correa que conecta el motor al alternador se rompe, el alternador deja de girar y, por lo tanto, deja de generar energía. Si está floja, puede resbalar y no girar el alternador a la velocidad necesaria.
  • Fallo del alternador: El propio alternador puede haber fallado internamente. Sus componentes (bobinas, diodos, escobillas) pueden desgastarse o dañarse, impidiendo que genere energía.
  • Fallo del regulador de voltaje: Como mencionamos, el regulador de voltaje controla la salida del alternador. Si falla, puede dejar de enviar voltaje o enviar un voltaje demasiado bajo, lo que activa el indicador. Un regulador defectuoso también puede causar sobrecarga, aunque la luz de batería generalmente se enciende por falta de carga.
  • Problemas de cableado o conexiones: Un cable suelto, corroído o roto entre el alternador, la batería y el indicador puede interrumpir el flujo de energía o la señal de monitoreo.
  • Fusible quemado: Aunque menos común para la luz de batería principal, un fusible relacionado con el circuito de carga podría causar el problema.
  • Batería en muy mal estado: Una batería extremadamente vieja o dañada puede tener dificultades para aceptar carga o mantener voltaje, lo que podría confundir al sistema de monitoreo y, en algunos casos, hacer que la luz se encienda, aunque el problema primario sea la batería y no el alternador.

¿Qué Debes Hacer si el Indicador de Carga se Enciende Conduciendo?

Ver la luz de la batería encendida mientras conduces no significa que el coche se detendrá instantáneamente, pero sí que tienes un tiempo limitado antes de que la batería se agote por completo. Aquí te explicamos qué hacer:

  1. No ignores la luz: Es una advertencia seria.
  2. Reduce la carga eléctrica: Apaga todos los accesorios eléctricos innecesarios: aire acondicionado, calefacción, radio, luces (si es de día y seguro), cargadores de teléfono, etc. Esto minimizará el consumo de energía de la batería y te dará más tiempo.
  3. Dirígete a un lugar seguro: Busca un lugar donde puedas detenerte de forma segura, idealmente un taller mecánico si hay uno cerca.
  4. Calcula tu tiempo: Un coche con un sistema de carga defectuoso funcionará con la energía restante en la batería. El tiempo que durará depende del estado de carga inicial de la batería y de cuánta electricidad consuman los sistemas esenciales (motor, dirección asistida eléctrica, sistemas de inyección). Podrían ser solo unos minutos o quizás una hora.
  5. Evita arranques y paradas: Si estás en tráfico, intenta mantener una velocidad constante si es seguro. Cada arranque consume una gran cantidad de energía de la batería.
  6. No intentes seguir conduciendo largas distancias: A menos que estés muy cerca de tu destino o un taller, no es recomendable. Quedarte tirado puede ser peligroso y costoso.
  7. Una vez detenido: No apagues el motor a menos que ya no planees mover el coche, o estés en un taller. Si lo apagas, es posible que no puedas volver a arrancarlo si la batería se ha descargado demasiado.

Si tienes conocimientos básicos y es seguro, puedes intentar verificar visualmente la correa del alternador para ver si está presente y parece tensa, pero para cualquier otra verificación (voltaje, fusibles, estado del alternador), necesitarás herramientas y conocimientos especializados, o la ayuda de un mecánico.

Indicadores de Nivel de Batería vs. Indicadores de Carga

Es importante diferenciar el indicador de carga del auto (la luz o voltímetro) de los indicadores de nivel de batería que vemos en dispositivos electrónicos como teléfonos o laptops. Estos últimos, a menudo representados con barras o un porcentaje, sí miden la cantidad de energía restante en la batería utilizando circuitos más complejos que analizan el voltaje actual y el historial de descarga. Por ejemplo, un indicador de porcentaje puede usar LEDs o pantallas LCD para mostrar el estado, con diferentes LEDs encendiéndose a medida que el voltaje (y por lo tanto, la carga) disminuye o aumenta. Aunque se basan en el principio de medir voltaje, su propósito es mostrar la *reserva* de energía, no la *función del sistema de carga*.

En el contexto automotriz, el indicador de tablero se centra en si el alternador está cargando. Si el alternador funciona, se asume que la batería se está recargando.

Importancia del Monitoreo Constante

Prestar atención a la luz del indicador de carga es vital. Ignorarla puede llevar a una descarga completa de la batería, dejando el coche inmovilizado. Además, un sistema de carga defectuoso que no se repara a tiempo puede dañar la batería permanentemente debido a una carga insuficiente o, en casos de un regulador defectuoso, por sobrecarga. Un sistema de carga saludable asegura que todos los componentes eléctricos reciban el voltaje correcto, protegiendo la electrónica del vehículo.

Tabla Comparativa de Indicadores

Tipo de IndicadorUbicación TípicaInformación PrincipalNivel de Detalle
Luz de BateríaTablero del Auto¿Está funcionando el sistema de carga (alternador)?Bajo (Advertencia binaria: OK/Problema)
VoltímetroTablero del Auto (menos común)Voltaje actual del sistema eléctricoMedio (Permite ver fluctuaciones y rango)
Indicador de Porcentaje/BarrasDispositivos Electrónicos (teléfonos, laptops, etc.)Nivel de carga restante en la bateríaAlto (Indica reserva de energía)

Preguntas Frecuentes sobre el Indicador de Carga

¿Puedo seguir conduciendo con la luz de la batería encendida?
Sí, pero solo por un tiempo muy limitado. El coche funcionará con la energía almacenada en la batería. La duración dependerá de cuánta carga le quede a la batería y de cuántos sistemas eléctricos (luces, A/C, radio) estés usando. Es una situación de emergencia para llegar a un lugar seguro o un taller, no para continuar el viaje.

¿Cómo funciona un indicador de nivel de carga de una batería?
El Indicador de Nivel de Carga de Batería de carga funciona midiendo la tensión de la batería y convirtiendo esa medición en un valor que representa la cantidad de carga restante.

¿Siempre es el alternador el culpable cuando se enciende la luz?
En la gran mayoría de los casos, la luz se enciende debido a un problema con el alternador o su regulador de voltaje. Sin embargo, una correa rota o un problema de cableado también pueden ser la causa.

Mi coche tiene un voltímetro en el tablero. ¿Qué voltaje es normal?
Con el motor apagado, el voltaje de una batería saludable completamente cargada debe ser de alrededor de 12.6 voltios. Con el motor en marcha, el voltímetro debe mostrar un voltaje de carga entre 13.5 y 14.5 voltios, lo que indica que el alternador está funcionando.

¿Qué mantenimiento ayuda a prevenir problemas del sistema de carga?
Revisar periódicamente el estado y la tensión de la correa del alternador, mantener los bornes de la batería limpios y bien apretados, y realizar las revisiones eléctricas recomendadas por el fabricante del vehículo.

La luz parpadeó y luego se apagó, ¿debo preocuparme?
Si parpadeó brevemente y se apagó, podría haber sido una fluctuación temporal o un problema incipiente. Es prudente que un mecánico revise el sistema de carga para asegurarse de que no haya un fallo intermitente.

Conclusión

El indicador de carga de batería en el tablero de tu automóvil es un vigilante esencial de la salud de su sistema eléctrico. Aunque simple en su presentación (una luz o un medidor de voltaje), nos proporciona información crítica sobre si el alternador está cumpliendo su función de alimentar el coche y recargar la batería. Entender su significado y saber cómo reaccionar si se enciende puede ahorrarte un gran dolor de cabeza y costosas reparaciones. Presta siempre atención a las señales que te da tu vehículo; están diseñadas para mantenerte seguro en el camino.

Si quieres conocer otros artículos parecidos a El Indicador de Carga de Batería del Auto puedes visitar la categoría Automóviles.

Subir